
| 输出 | PMC-05V015W1AA | PMC-12V150W1B | PMC-12V600W1BA | |
| 输出电压 | 5 V | 12 V | 12 V | |
| 输出电压范围 | 4.75-5.50 V | 11-14 V | 10.8-13.2 V | |
| 输出电流 | 0-3.0 A | 0-12.5 A | 0-50 A | |
| 输出功率 | 15 W | 150 W | 600W | |
| 纹波电压 (20MHz) | < 70 mVpp | < 100 mVpp | < 240 mVpp | |
| 保持时间 | 115VAC | > 15 ms | > 30 ms | > 20 ms |
| 230VAC | > 80 ms | |||
| 输入 | ||||
| 输入相数 | 单相 | |||
| 输入电压范围 | 85-264 VAC (直流输入范围 125-375 VDC) | 85-264 VAC (直流输入范围 120-375 VDC) 1) |
||
| 输入频率 | 47-63 Hz | |||
| 输入电流 | 115VAC | < 0.40 A | < 1.70 A | < 6.5 A |
| 230VAC | < 0.22 A | < 1.00 A | < 3.2 A | |
| 满载效率(100% 负载) | 115VAC | > 80.0% | > 87.0% | 88.5% typ. |
| 230VAC | > 88.0% | > 89.0% | ||
| 浪涌电流(冷启动) | 115VAC | < 30 A | < 60 A | < 10 A |
| 230VAC | < 65 A | < 120 A | < 20 A | |
| 功率因素 | 115VAC | 符合 EN 61000-3-2 | > 0.99 | > 0.98 |
| 230VAC | > 0.90 | > 0.95 | ||
| 漏电流 | 240VAC | < 1mA | - | |
| 264 VAC | — | < 1.5 mA | ||
| 机构 | ||||
| 外壳 / 底架 | SECC Steel | 铝质 | SECC Steel | |
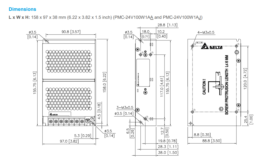
| 尺寸(H × W × D) | mm | 77 × 51 × 28 | 178 × 97 × 38 | 215 × 120 × 61 |
| inch | 3.03 × 2.01 × 1.10 | 7.01 × 3.82 × 1.50 | 8.46 × 4.72 × 2.40 | |
| 重量 | kg | 0.16 | 0.54 | 1.51 |
| lb | 0.35 | 1.19 | 3.33 | |
| 冷却方式 | 自然对流 | 强制风冷 (内置风扇) | ||
| 平均故障间隔时间 | > 700,000 hrs | |||
| 环境 | ||||
| 运行温度 | -10°C 至 +70°C | —20°C 至 +70°C | ||
| 储存温度 | -25°C 至 +85°C | -40°C 至 +75°C | ||
| 运行湿度 | 5 至 95% RH (无冷凝) | |||
| 运行海拔高度 | 0 至 3,000 m (0 至 9,840 ft) | |||

